Продукт Обзор
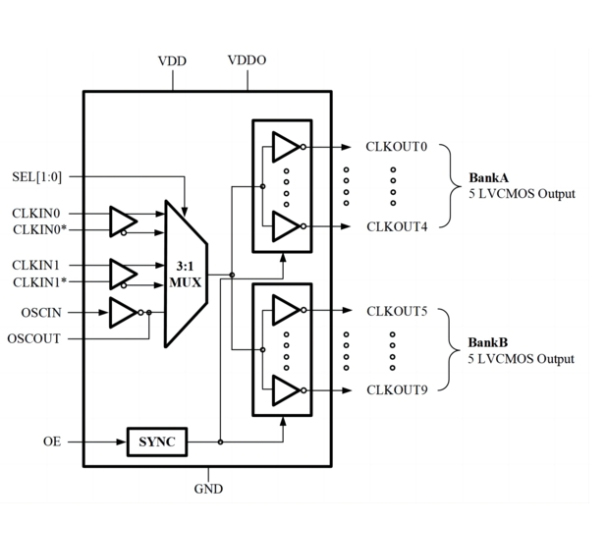
AC2101 - это высокопроизводительный выходной буфер LVCMOS с низким уровнем шума, который может распределять 10 тактовых импульсов со сверхнизким уровнем дрожания по несимметричным, дифференциальным или кристаллическим входам.
Типичные области применения:
Эталонный дистрибутив RRU
Интерфейсные платы SONET, Ethernet и Fibre Channel
Оптические транспортные сети
GPON OLT/ONUs
Соединения для серверов и сетей хранения данных
Медицинская визуализация
Технический Показатели

| Основные характеристики | |
| 10 выходов LVCMOS/LVTTL, постоянный ток ~ 200 МГц | |
| Универсальный вход | -LVCMOS/LVTTL -LVDS -LVPECL -HCSL -SSTL |
| Интерфейс кварцевого генератора | |
| Входная частота кристалла | 8 ~ 40 МГц |
| Перекос выходного сигнала | 28 кадров в секунду |
| Аддитивное фазовое дрожание | |
| Низкая задержка распространения сигнала | |
| Напряжение питания ядра | 2,5/3,3 В |
| Регулируемое выходное напряжение питания | 1.5/1.8/2.5/3.3 В |
| 32-контактный разъем QFN в корпусе | 5.0x5.0x0.75 мм |
Связанный Новостные
Недавно CNOOC успешно справилась с задачей мирового уровня по разработке нефтяных месторождений на рифовых известняках на шельфе. Этот прорыв был достигнут благодаря атомным часам SYNC на основе микросхем, которые обеспечивают высокоточную поддержку времени и частоты для оборудования для подводных исследований.
учить больше +На первых в мире играх с человекоподобными роботами каждый точный поворот и безупречная координация демонстрировали последние достижения в области промышленного интеллекта. За этими удивительными технологическими достижениями скрывается бьющееся сердце: кварцевый генератор промышленного класса.
учить больше +Важность серверов синхронизации времени в финансовом секторе
В связи с непрерывным развитием технологий финансовая индустрия претерпевает непрерывную цифровую трансформацию. В этом процессе особое значение приобретает применение технологии синхронизации времени. Как эффективного и надежного устройства синхронизации времени
учить больше +Связанный продукты
электронная почта
позвони мне
+86 152 6830 7576
Добавь.
№ 1376, дорога Шуньцзе, район Наньху, город Цзясин, провинция Чжэцзян
